Características clave
| ● Rango de frecuencia operativa de 45-1000 MHz |
| ● Ganancia máxima de 33 dB |
| ● Bajo nivel de ruido: Corriente de ruido de entrada equivalente (EINC) de 3,5 pA / √Hz |
| ● Linealidad: -68 dBc CSO y -70 dBc CTB a +78 dBuV de salida RF por canal (60 canales PAL-D DS22) |
| ● Alto rango de ganancia dinámica, rango de control de ganancia de 32 dB |
| ● Bajo consumo de energía, 210 mA para una salida de RF con un voltaje de suministro de 5 V |
|
● Voltaje de control AGC de 0-3 V |
|
● Admite suministro único de rango óptico de -10 dBm a +2 dBm |
|
● Bajo consumo de energía, 110 mA para una salida de RF con voltaje de suministro de 12 V |
|
● Paquete QFN4X4-24L sin plomo/que cumple con RoHS |
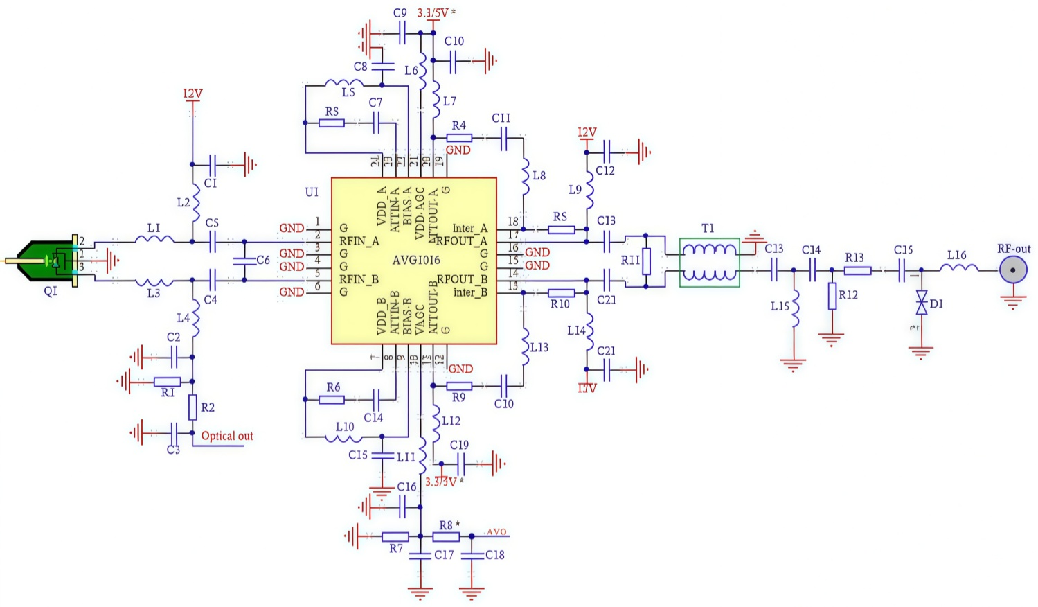
Amplificador de ganancia variable AVG1016
El AVG1016 de Sanland es un amplificador de ganancia variable con Atenuador controlado por voltaje. El amplificador tiene alta Linealidad y bajo ruido logrados mediante el uso de 0,5 um. Proceso GaAs E-PHEMT. Está alojado en una miniatura de 4,0 x Paquete cuádruple plano sin plomo (QFN) de 4,0 mm y 24 pines. Es Diseñado para un uso óptimo desde 45MHz hasta 1000MHz. El tamaño compacto y el perfil bajo junto con una alta La ganancia y la alta linealidad hacen del AVG1018 una opción ideal como amplificador para red CATV y red FTTH.

| Tipo | Río abajo |
| Frecuencia mínima (GHz) | 0,05 |
| Frecuencia máxima (GHz) | 1.0 |
| Ganancia (dB) | 32dB |
| OSC(dBc) | -68 |
| CTB(dBc) | -70 |
| NF(dB) | 1.5 |
| Voltaje(V) | 12V |
| Corriente (mA) | 110 |
| Tipo de paquete | QFN |
| RoHS | Sí |
| Sin plomo | Sí |
| Libre de halógenos | Sí o no |
